用手机扫一扫
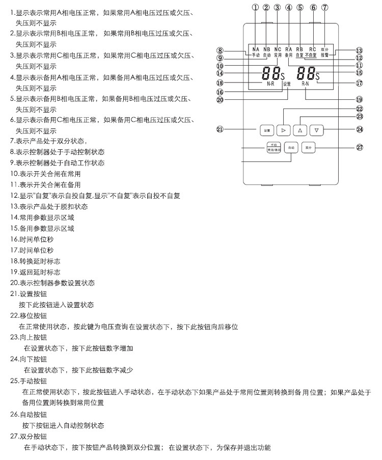
扫一扫 在手机上阅读
正泰官方熔断器式隔离开关 切换开关 转换开关NHR40系列
正泰双电源自动转换开关智能型转换开关NZ7-800S/4A
正泰电线电缆 二芯护套线 白色扁平行铜芯线 BVVB 2*2.5平方100米
正泰微电脑时控开关KG316T/定时器/定时开关/时间控制器延时开关
长按屏幕识别二维码
打开手机扫描二维码